- 在线铜板外观检测
- 在线极片熔珠检测
- 动力电池卷绕一体机双线扫CCD检测系统
- 在线/离线工业CT无损检测设备
- 在线动力电池盖板检测机
- 涂布CCD检测系统
- 辊压机CCD检测系统
- 辊压分条一体机CCD检测系统/贴标机
- 消费电池分条机CCD检测系统
- 独立宽幅CCD复检机
- 模切分切一体机检测系统
- 在线极片毛刺检测
- 在线动力电池卷绕一体机CCD检测系统
- 切叠一体机CCD检测系统
- 在线电池裸电芯外观检测
- 动力电池入壳设备/预点焊
- 在线动力电池顶盖焊接独立检测机
- 在线动力电池密封钉独立检测机
- 在线动力电池铝壳外观检测机/包蓝膜后外观检测机
- 在线3C电池成品外观检测机
- 动力电芯连接器焊接检测系统
- 在线刀片电池尺寸测量机
- 在线电池模组Busbar检测
- 在线电池模组尺寸检测机
- 电池全自动测试及气密性检测机
- 在线铜箔外观检测
- 在线铝箔外观检测
- 在线隔膜外观检测
- 在线铝塑膜外观检测
- 在线圆柱铝壳外观检测机
在线铜板外观检测
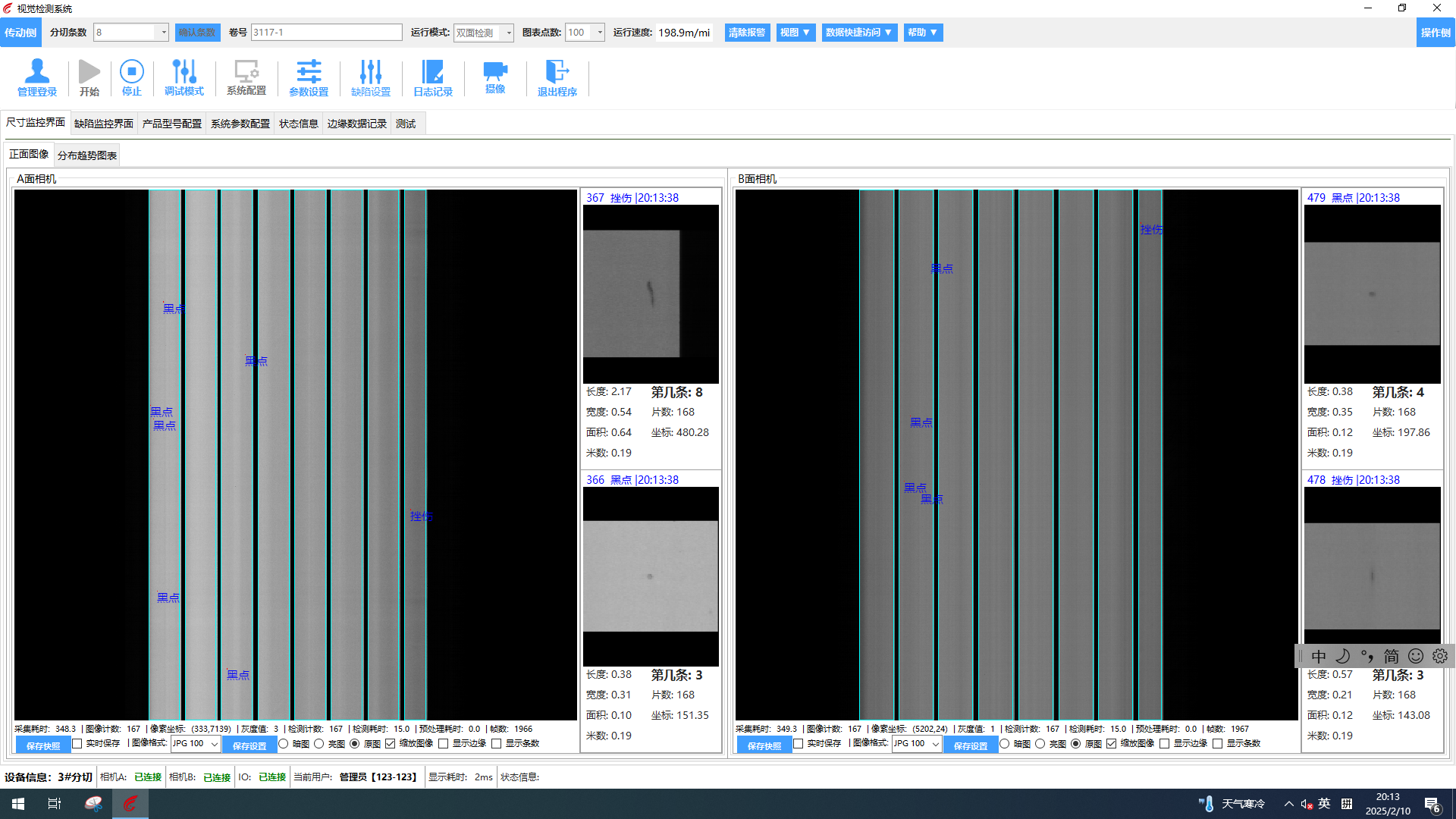
运行界面
适应产品范围及设备工艺参数
名称 | 幅宽范围(mm) | 材料厚度(mm) | 速度(m/min) | 分切后宽度(mm) | 安装位置 | 产品牌号 |
铜带 | 300~460 | 0.5~3.5 | ≤100 | 不分切 | 酸洗后(弱酸环境) | C19210、C19400、TK系列 |
视觉检测系统性能
名称 | 性能参数 |
缺陷分类准确率 | 90% |
优率 | 漏判率1% |
缺陷检测精度 | 缺陷最小检测面积0.1mm2 |
数据统计 | 记录不良品数据并进行统计(同时具备可导出编辑Excel数据),检测数据可满足上传MES;数据需满足在本地硬盘保存一年以上。具备统计并存储起始标记和终止标记内的数据功能 |
检测结果输出 | 配备液晶显示器、打印机、缺陷图片分类存储、I/0控制输出及报警 |
AI辅助算法 | 配备独立显卡、采用AI算法模型,提高计算速度及缺陷检测准确率。 |
缺陷标记系统 | 发现缺陷可自主选择进行声光报警 |
标准工装 | 提供标准调试工装、校验工装与相关量具、光源为水冷系统,保证系统的检测精度 |
缺陷显示 | 具备缺陷地图功能,实时显示被检品的缺陷图片、缺陷发生位置、缺陷尺度等信息。不同缺陷用不同颜色表示。 |